This is from a series of articles reprinted from the journal ISA Transactions. All ISA Transactions articles are free to ISA members, or can be purchased from Elsevier Press.
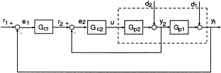
Abstract: Many investigations have been done on tuning proportional-integral-derivative (PID) controllers in single-input single-output (SISO) systems. However, only a few investigations have been carried out on tuning PID controllers in cascade control systems. In this paper, a new approach, namely the use of a Smith predictor in the outer loop of a cascade control system, is investigated. The method can be used in temperature control problems where the secondary part of the process (the inner loop) may have a negligible delay while the primary loop (the outer loop) has a time-delay. Two different approaches, including an autotuning method, to find the controller parameters are proposed. It is shown by some examples that the proposed structure as expected can provide better performance than conventional cascade control, a Smith predictor scheme or single feedback control system.
Free Bonus: To read the full article on using cascade control and a Smith predictor, click here.
ISA membership entitles you to free access to all ISA Transactions articles plus a wealth of technical content, industry information, free webinars, training opportunities, program discounts, certification and licensure and professional networking.
Join ISA ... learn, advance, succeed!




